首页
新闻中心
政府信息公开
政务服务
解读回应
全景镇巴
中央人民政府
陕西省人民政府
汉中市人民政府
长者浏览
无障碍
网站支持IPv6
登录
退出
注册
繁体
首页
新闻中心
政府信息公开
政务服务
解读回应
全景镇巴
当前位置:
首页
/
政府信息公开
/
法定主动公开内容
/
重点领域信息公开
/
财政信息
/
惠农惠民政策及资金
/
惠农惠民资金
/
2025
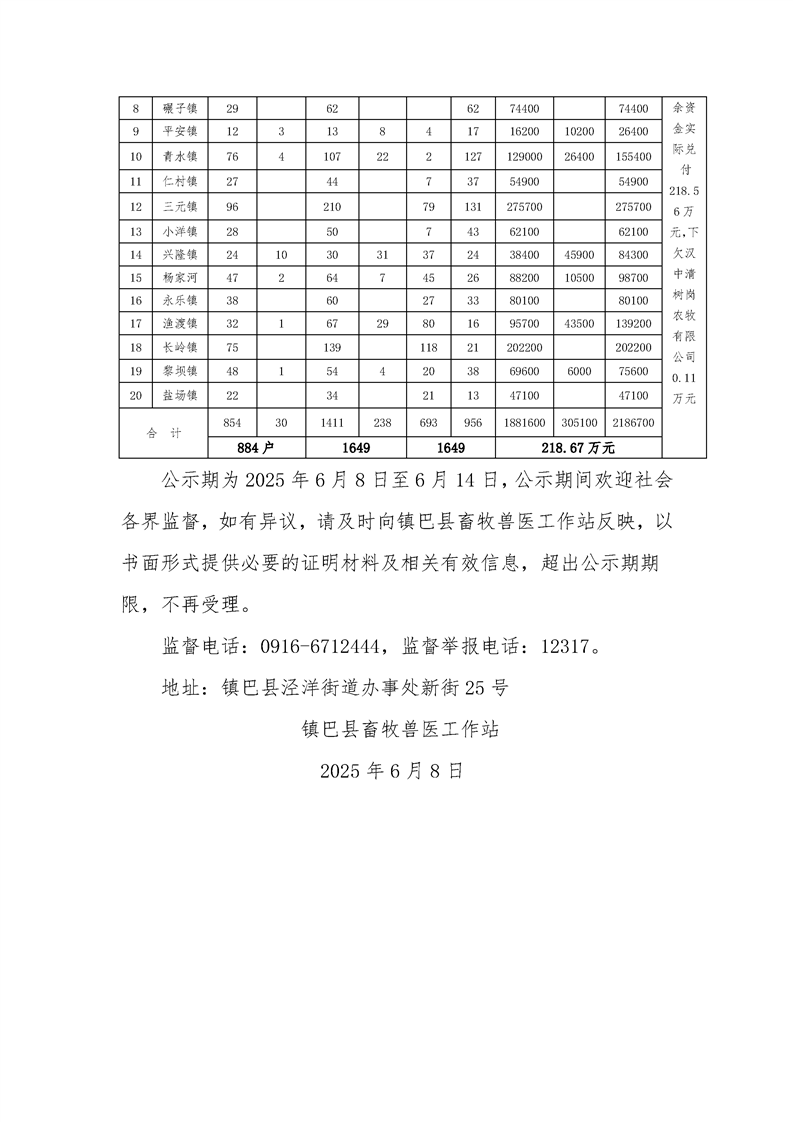
镇巴县畜牧兽医工作站2024年肉牛增量提质行动项目第四批补助资金公示
索引号:
zbxzf00000/2025-000481
发布日期:
2025年06月08日 11:31
来源:
发文机构:
县政府网站
内容概述:
访问量:
【字体:
大
中
小
】
打印
扫一扫在手机打开当前页