首页
新闻中心
政府信息公开
政务服务
解读回应
全景镇巴
中央人民政府
陕西省人民政府
汉中市人民政府
长者浏览
无障碍
网站支持IPv6
登录
退出
注册
繁体
首页
新闻中心
政府信息公开
政务服务
解读回应
全景镇巴
当前位置:
首页
/
专题
/
政府网站工作年度报表
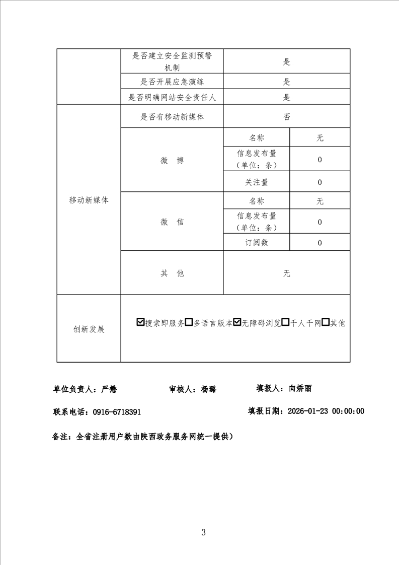
镇巴县人民政府网站年度报表(2025年度)
发布时间: 2026-01-23 08:36
县政府办
作者:
访问量:
字体:【
大
中
小
】
打印
发布时间:2026-01-23 08:36
县政府办
作者:
扫一扫在手机打开当前页